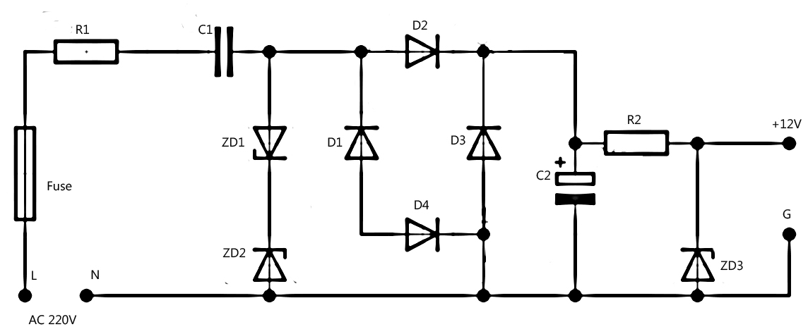
Simple Power supply without transformer
This circuit has a voltage output of about 12 volts with 20mA current voltage. And this series of works using capacitive reactance and resistance are not using, this will reduce the heat on the circuit.
To be safe when there is a short-circuit series, always use a fuse on the input voltage is 220V. Here is a series of power supply without a simple transfomer.
To be safe when there is a short-circuit series, always use a fuse on the input voltage is 220V. Here is a series of power supply without a simple transfomer.
![]() |
| Power supply Circuit |
R1 - 1.8K 1W
R2 - 100Ω
C1 - 0.47µF 400V
C2 - 1000µF 50V
D1 - 1N4007
D2 - 1N4007
D3 - 1N4007
D4 - 1N4007
ZD1 - 16V Zener Diode
ZD2 - 16V Zener Diode
ZD3 - 12V Zener Diode


Comments
Post a Comment