45 W Stereo Tube Amplifier
Stereo Amplifier with Tube
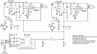
Stereo amplifier is very simple, consisting of 5 active components including the power supply it. Series Stereo Amplifier With Tube was prepared with 5 units trioda tube consisting of 1 unit tubes 5Y3 GT vacuum rectifier, 2 tube tube trioda 6SF5 GT high-mu tube 6k6 and 2 units which form the power beam amplifiers.
Power consumption for the circuit with a tube stereo amplifier is not more than 45 Watt. Current consumption for the circuit with a tube stereo amplifier is around 3A. A complete range of stereo amplifiers with this tube can be seen from the following series of images.
Stereo Amplifier With Tube
Sign Component Stereo Amplifier With Tube
- R1, R10, R13 2.2M
- R2 470K 1/2W
- 1 Meg 1/2W R3
- R4 220K 1/2W
- R5 330 Ohm 2W
- R6 220K 1/2W
- R7 2.2Meg 1/2W
- R8 1Meg 1/2W
- R9 720 Ohm 20W
- R11 33K 1/2W
- R12 22K 1/2W
- C1, C9 400V 0.005uF
- C2 0.05uF 600V
- C3 20uF 25V
- C4 0.01uF 400V
- C5 200uuF 400V
- C6, C7 15uF 450V
- C8 15uF 400V
- T1 117V Primary, Secondary 350VCT, 2 × 6.3V
- T2 7600 Ohm Primary, Secondary 4 or 8 Ohm
- SW1 SPST Switch
- SP1, SP2 12 "4 / 8 ohm
- C8 in the series stereo tube amplifier with the above serves to reduce radio frequency interference and to optimize the work of a wild series of ampifier stereo with these tubes.

Comments
Post a Comment